Custom 32700 Battery Packs

3.2V 6000mAh 32700 High-Capacity LiFePO₄ Battery

The 32700 LiFePO₄ battery is an upgraded replacement for the 35650. With the same size, it is rechargeable and provides higher capacity.

32700 LiFePO₄ batteries deliver robust and reliable power for electric vehicles, solar energy storage, industrial equipment, UPS backup systems, and are especially well-suited for demanding marine and subsea environments due to their durable form factor.

Key Features

High Capacity, Long Cycle Life

Delivers greater energy storage and supports over 2,000 charge/discharge cycles for extended lifespan.

Exceptional Safety

LiFePO₄ chemistry ensures intrinsic thermal and chemical stability, with built-in double safety protection and robust design for high vibration and shock resistance.

Superior Temperature Performance

Reliable operation across a wide temperature range, maintaining excellent performance in both high and low environments.

Consistent Output & Low Self-Discharge

Provides stable voltage throughout discharge and boasts low self-discharge rates for long-term reliability.

Sturdy Construction

Durable steel enclosures offer enhanced pressure resistance, waterproofing, and protection against physical impacts.

Compact and Lightweight

Optimized for high energy density without increasing overall footprint—ideal for space-constrained and portable devices.

Highly Customizable

Supports a wide range of form factors, including special shapes, dimensions, and terminal configurations to fit specific design needs.

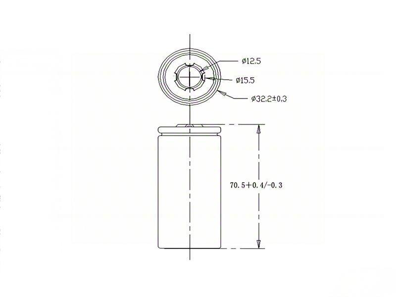
Physical Appearance & Dimensions

Diameter Specification

32.2 (+0.3/-0.3) mm - precision engineered for optimal fit

Height Specification

70.5 (+0.4/-0.3) mm - consistent height tolerance for reliable performance

32700 6000mAh LiFePO₄ Battery
26650 Battery Dimensions Diagram

6000mAh 32700 LiFePO₄ Battery Specifications

Note: Extreme discharge rate and temperature ranges are achievable under specific test conditions. Please contact us for detailed performance verification in your application.

Item Condition Specification
Nominal Capacity 1C discharge capacity 6.0Ah
Nominal Voltage 3.2V
AC Impedance At AC 1000 Hz 8mΩ
Cell Size - Diameter 32.2 ± 0.3 mm
Cell Size - Height 70.5 +0.4/-0.3 mm
Cell Weight 140 ± 5 g
End-of-Charge Voltage CC mode, per IEC standard 3.65V
End-of-Charge Current CV mode 0.3A
Charging Method Standard charging ≤1C (CC/CV mode) ≤1C at CC/CV
End-of-Discharge Voltage CC mode, per IEC standard 2.0V
Max Continuous Discharge Current 3C 18A
Max Pulse Discharge Current 10C, 3 seconds 60A (3s)
Cycle Life ≥2000 cycles @ 1C, 100% DOD, room temperature ≥2000 cycles
Operating Temperature - Charging 0~60°C
Operating Temperature - Discharging -20~60°C
Operating Temperature - Storage -20~45°C

Custom 32700 LiFePO₄ Battery Pack Cases

Low Temperature 6.4V 16Ah 26650 LiFePO₄ Battery

12.8V 30Ah 32700 LiFePO4 Battery Pack

Voltage & Configuration: 12.8V 4S5P
Capacity & Cell Type: 30Ah (32700 LiFePO4, 6Ah/cell)
BMS: Integrated, max continuous discharge current: 10A
Enclosure Material: Stainless steel 316
Application: Subsea backup power system
High Capacity 12.8V 18Ah 26650 LiFePO₄ Battery

25.6V 18Ah 32700 LiFePO4 Battery Pack

Voltage & Configuration: 25.6V 8S3P
Capacity & Cell Type: 18Ah (32700 LiFePO4, 6Ah/cell)
Communication: RS-485
Enclosure Material: Black metal
Application: Underwater ROV, IoT component
Low Temperature 25.6V 32Ah 26650 LiFePO₄ Battery Pack

25.6V 48Ah 32700 LiFePO4 Battery Pack

Voltage & Configuration: 25.6V 8S8P
Capacity & Cell Type: 48Ah (32700 LiFePO4, 6Ah/cell)
Communication: RS-485
Enclosure Material: Aluminum alloy
Application: Outdoor and underwater power supplyt
Wide Temperature 38.4V 32Ah LiFePO₄ 26650 Battery Pack

51.2V 24Ah 32700 LiFePO4 Battery Pack

Voltage & Configuration: 51.2V 16S4P
Capacity & Cell Type: 24Ah (32700 LiFePO4, 6Ah/cell)
Communication: RS-485 protocol
Parallel Connection: Up to 3 battery modules in parallel
Application: Subsea power system

Custom 32700 Battery Packs FAQs

Q1

Why choose 32700 cells over 18650 or 21700 battery packs?

32700 cells deliver higher capacity and current output, reducing cell counts and welds—making them ideal for demanding, high-load applications.

Q2

How do 32700 battery packs perform in harsh environments?

Our packs are engineered for extreme cold, salt, and humidity. Options include IP67/IP68 enclosures and specialty electrolytes for reliable operation even below -20°C.

Q3

Can you provide required certifications?

Absolutely. We offer UN38.3, CE, UL, IEC, and custom certifications to meet your market standards.

Q4

Can we get samples and test data?

Yes, we provide complete test reports, and samples can be shipped for your pre-production validation.